氣體滅火知識
消防維保
主機維修
聯(lián)系我們
- 聯(lián)系人:郭經理
- 傳真:010-69552656
- 電話:400-0346-119
- 電話:010-57491119
- 郵箱:506665119@qq.com
- 地址:北京通州區(qū)M5運河1號3號樓403室
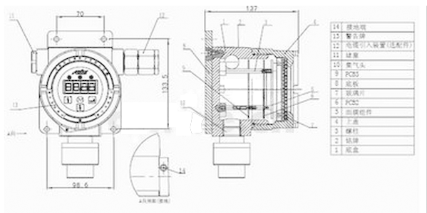
安可信JTQ-AEC2232dX有毒有害氣體檢測報警儀接線圖
來源:北京消防檢測 時間:2018-10-11 13:38:16
結構圖:

接線圖:


來源:北京消防檢測 時間:2018-10-11 13:38:16
結構圖:

接線圖:
